公司名稱(chēng):江蘇色婷婷亚洲婷婷五月泵業有限公(gōng)司
地址:靖江市(shì)新橋工業園區88-1號
手機:13852628788
Q Q: 553766906
電話:0523-84325217
傳真:0523-82857356
郵箱: 13852628788@163.COM
一、ZXL小型直連式不鏽鋼自吸泵特點:
ZXL係列泵是我公司自行研製的(de)不(bú)鏽鋼耐腐蝕(shí)離心泵,ZXL係列泵的葉輪有的采用半開式(shì)結構(gòu)形(xíng)式,有的(de)則采用閉式結(jié)構形(xíng)式,另外,泵與電機(jī)的聯接方式又有直聯係和帶軸承托架式(shì)兩種,所有泵的軸封均采(cǎi)用(yòng)目前(qián)西德較先進 的懸臂式(shì)技(jì)術的機械密封,由於我廠產品(pǐn)集優良結(jié)構、性能、造形於一身,兼過流(liú)零部件及連接架采用優(yōu)質不鏽(xiù)鋼材料製造,所以,兩係列產品具有耐腐蝕性能可 靠,使用、維護方便(biàn)、結構緊湊、能耗低(dī)、密封性能好(hǎo)等一係列優點。
二、ZXL不鏽(xiù)鋼耐腐蝕(shí)自吸泵使用材質:
1、過流零件(jiàn)及連接架:1Cr18Ni9Ti不鏽鋼
2、機械密封:靜(jìng)環:陶瓷(SiC)。動環石墨浸漬呋喃樹脂。
3、橡膠結構件:氟橡膠。1Cr18Ni9Ti不鏽鋼離心泵。
4、如輸送(sòng)介質或使用條件與(yǔ)本泵配置(zhì)材料不相配時,可另議配置其它材質。
如:過流(liú)零件配316,軸封(fēng)可配(pèi)聚四氟乙烯。或其它(tā)種類(lèi)的動靜環等。
三(sān)、ZXL小型直連(lián)式不鏽鋼自吸泵主要用途:
ZXL係(xì)列泵可輸送溫度不高於90℃(直聯式)或(huò)不高於105℃(帶軸承托架式),含或不含)有細小軟顆粒或纖維(wéi)質,帶腐蝕性或有衛生要求的液 體,ZXL係列(liè)泵還具有(yǒu)自吸性能,兩係列泵廣泛適用(yòng)於食口、飲(yǐn)料、醫藥、汙水處理、化工、電(diàn)鍍、漂染、精細化工等行業使用。
四、ZXL不鏽鋼耐腐蝕自吸泵技術參數:
流量:0.8-31m3/h;
揚程:3-30m;
電機功(gōng)率:2.2-55KW;
轉速(sù): 2800r/min;
口(kǒu)徑:φ25-φ50;
介質溫度:≤100℃;
自吸高度:1-2m。
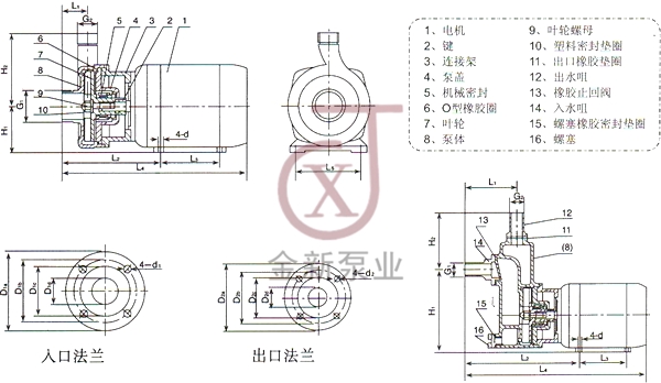
五、ZXL小型(xíng)不鏽鋼自吸泵結構圖
